021-51699285
首页
关于我们
公司简介
关于品牌
荣誉资质
产品中心
框架式断路器
塑壳式断路器
小型断路器
高压真空断路
漏电断路器
自动转换开关
直流电器
交流接触器
电容接触器
热继电器
电磁起动器
触头产品
新闻中心
公司新闻
行业动态
联系我们
产品展示
800系列三相电力变送器
首页
/
产品中心
/
800系列电力变送器
PD810系列电力网络仪表
800H系列智能电力仪表
800G系列智能电力仪表
MC800系列低压智能电动机保护
800系列电力变送器
PWB800系列无功补偿控制器
NY3000变电站综合自动化系统
产品标题:800系列三相电力变送器
产品ID:
VIB20090713195135734
品 牌:
纳宇电气
所在地:中国 上海
价 格:面议 (大量采购价格面议)
库存状态:
货期待查
更新日期:2025-10-31 8:48:19
咨询电话:(+86)021-51699285
咨询Q Q:
2695337323
产品简述
产品简介
800系列电力变送器是一种将电网中的电流、电压、频率、功率、功率因数等电参量,经隔离变送成线性直流模拟信号的装置。
产品详情
外形尺寸及安装
产品选型
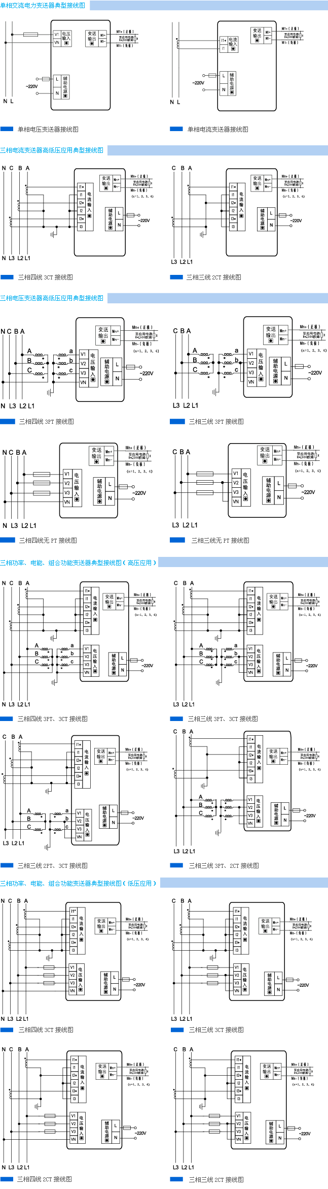
典型接线图
产品型号
单作用短行程气AEVC-63-25-A-P
双作用短行程气 ADVC-63-10-I-P-A
双作用短行程气ADVC-63-15-I-P-A
双作用短行程气ADVC-63-20-I-P-A
双作用短行程气ADVC-63-25-I-P-A
双作用短行程气 ADVC-63-10-I-P
双作用短行程气ADVC-63-15-I-P
双作用短行程气ADVC-63-20-I-P
双作用短行程气 ADVC-63-25-I-P
双作用短行程气ADVC-63-10-A-P-A
双作用短行程气ADVC-63-15-A-P-A
双作用短行程气ADVC-63-20-A-P-A
双作用短行程气ADVC-63-25-A-P-A
双作用短行程气ADVC-63-10-A-P
前一页
面板式B型控制器 用于面板嵌入安装,控制电压AC380V WATSN系列转换开关附件
后一页
面板式B型控制器 用于面板嵌入安装,控制电压AC380V WATSN系列转换开关附件
产品中心
更多产品
MORE+
800系列三相电力变送器
800系列单相电力变送器
小型滑块驱动器 SLT-16-125-P-A
小型滑块驱动器 SLT-16-150-P-A
小型滑块驱动器 SLT-20-125-P-A
小型滑块驱动器 SLT-20-150-P-A
电话:
021-51699285
传真:
021-51698592
手机:
13611905823
地址:上海市宝山区恒高路127弄6号楼2202室
首 页
关于我们
公司简介
品牌介绍
企业荣誉
产品中心
框架式断路器
塑壳式断路器
小型断路器
高压真空断路
漏电断路器
自动转换开关
直流电器
交流接触器
电容接触器
热继电器
电磁起动器
触头产品
新闻中心
公司新闻
行业动态
联系我们