021-51699285
首页
关于我们
公司简介
关于品牌
荣誉资质
产品中心
框架式断路器
塑壳式断路器
小型断路器
高压真空断路
漏电断路器
自动转换开关
直流电器
交流接触器
电容接触器
热继电器
电磁起动器
触头产品
新闻中心
公司新闻
行业动态
联系我们
产品展示
PWB800系列无功补偿控制器
首页
/
产品中心
/
PWB800系列无功补偿控制器
PD810系列电力网络仪表
800H系列智能电力仪表
800G系列智能电力仪表
MC800系列低压智能电动机保护
800系列电力变送器
PWB800系列无功补偿控制器
NY3000变电站综合自动化系统
产品标题:PWB800系列无功补偿控制器
产品ID:
VIB20090713195926734
品 牌:
纳宇电气
所在地:中国 上海
价 格:面议 (大量采购价格面议)
库存状态:
货期待查
更新日期:2025-11-17 22:01:14
咨询电话:(+86)021-51699285
咨询Q Q:
2695337323
产品简述
产品简介
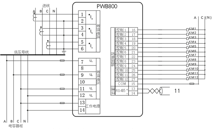
PWB800电容补偿控制器适用于400V供电系统,可以控制12组电容器,实现功率因数自动补偿控制,还具备电气监测、远程通讯功能。适合组成配电自动化监控系统。
产品详情
外形尺寸及安装
典型接线图
产品型号
单作用螺纹气缸 AEVC-20-5-I-P-A
单作用螺纹气缸 AEVC-20-10-I-P-A
单作用螺纹气缸 AEVC-20-25-I-P-A
NAEH.SCH.KAPNPN D:SKE-M12-NS-LED-SIBU
NAEH.SCH.INDNPN D:SIE-M12-NS-LED-SIBU
NAEH.SCH.EL.NPN D:S-NS-SMTO-4U-K
电磁阀 MOZH-3-M3-L-K -SA
NUTABD.,BEFEST. DGPXX- 12/18- -BZ
NUTABD.,BEFEST. DGPXX- 25- -BZ
NUTABD.,BEFEST. DGPXX- 32- -BZ
双作用气缸 DNGV- 32- PPV-S6 -SA
双作用气缸 DNGV- 40- PPV-S6 -SA
双作用气缸 DNGV- 50- PPV-S6 -SA
双作用气缸 DNGV- 63- PPV-S6 -SA
前一页
WATSND-1600/1600 4CBR (NS-H) 手动 WATSN-100-630系列产品 手动
后一页
WATSND-1600/1600 4CBR (NS-H) 手动 WATSN-100-630系列产品 手动
产品中心
更多产品
MORE+
PWB800系列无功补偿控制器
本地控制器 DLP-VSE-2-5/2-O
本地控制器 DLP-VSE-3
本地控制器 DLP-VSE-3-5/3-G
本地控制器 DLP-VSE-3-5/3-G-ASI
电话:
021-51699285
传真:
021-51698592
手机:
13611905823
地址:上海市宝山区恒高路127弄6号楼2202室
首 页
关于我们
公司简介
品牌介绍
企业荣誉
产品中心
框架式断路器
塑壳式断路器
小型断路器
高压真空断路
漏电断路器
自动转换开关
直流电器
交流接触器
电容接触器
热继电器
电磁起动器
触头产品
新闻中心
公司新闻
行业动态
联系我们